Гость bot Опубликовано 29 ноября, 2009 Жалоба Опубликовано 29 ноября, 2009 Тема была выделена из поиск стереопары 2.0 Xupyp1 Цитата
sergi Опубликовано 4 декабря, 2009 Жалоба Опубликовано 4 декабря, 2009 Эта карта хроша для игр. А для музыки вряд ли. Пред усилитель играет роль в аналоговой аппаратуре. В переовде с цифры на аналог пред усилитель играет малую роль. Главное основной усилитель мощности. Вот он действительно основа звука. Цитата
CooDi Опубликовано 4 декабря, 2009 Жалоба Опубликовано 4 декабря, 2009 sergiЕсли у тебя с предуселителя звук идет хреновый, то на усилителе лучше он не станет. из всей серии x-fi слабенькие предуселители стоят только на audio. Цитата
miha Опубликовано 4 декабря, 2009 Жалоба Опубликовано 4 декабря, 2009 sergi правильно сказал. Предусилителем ты усиливаешь цифровой сигнал а в аналоговой аппаратуре - аналоговый. Таким образом предусилитель играет наименьшую роль. Цитата
CooDi Опубликовано 5 декабря, 2009 Жалоба Опубликовано 5 декабря, 2009 mihaВы видимо не понимаете схему работы акустики, или не совсем правильно.цмфровой сигнал заходит в ЦАП, там преобразуется в слабый аналоговый сигнал (оочень слабый), потом идет обработка звука (если она есть), далее звук попадает на предусилитель. После него звук можно уже слушать в наушниках. Потом ВЫ втыкаете колонки, в которых стоит УНЧ (усиитель низкой частоты), и с него уже звук попадает в динамики (если колонки с наворотамми, типа эквалайзера, то они стоят неред УНЧ).Добавлено спустя 11 минут 56 секунд:а вообще вот вам качественная звуковая карта (внешка)http://datagor.ru/blogs/datagor/page,1,0,762-datagor-hi-fi-audio-usb-dac-pcm2702.html Цитата
miha Опубликовано 5 декабря, 2009 Жалоба Опубликовано 5 декабря, 2009 Оптимальный вариант для мп3 музыки это solo-2 не только по моему мнению.CooDiУсилитель найти или собрать проще, чем хорошие колонки. Их то сам не сделаешь.Колонки намного проще собрать))Вы видимо не понимаете схему работы акустики, или не совсем правильноЭто вы непонимаете работу усилителей Каскад предварительного усиления(КПУ) необходим для усиления входного сигнала до уровня необходимого для нормальной работы оконечного каскада(ОК). Анализ работы КПУ сводится к выбору усилительного элемента его режима работы и параметров остальных элементов каскада для обеспечения наилучших качественных показателей.Вот он каскад Цитата
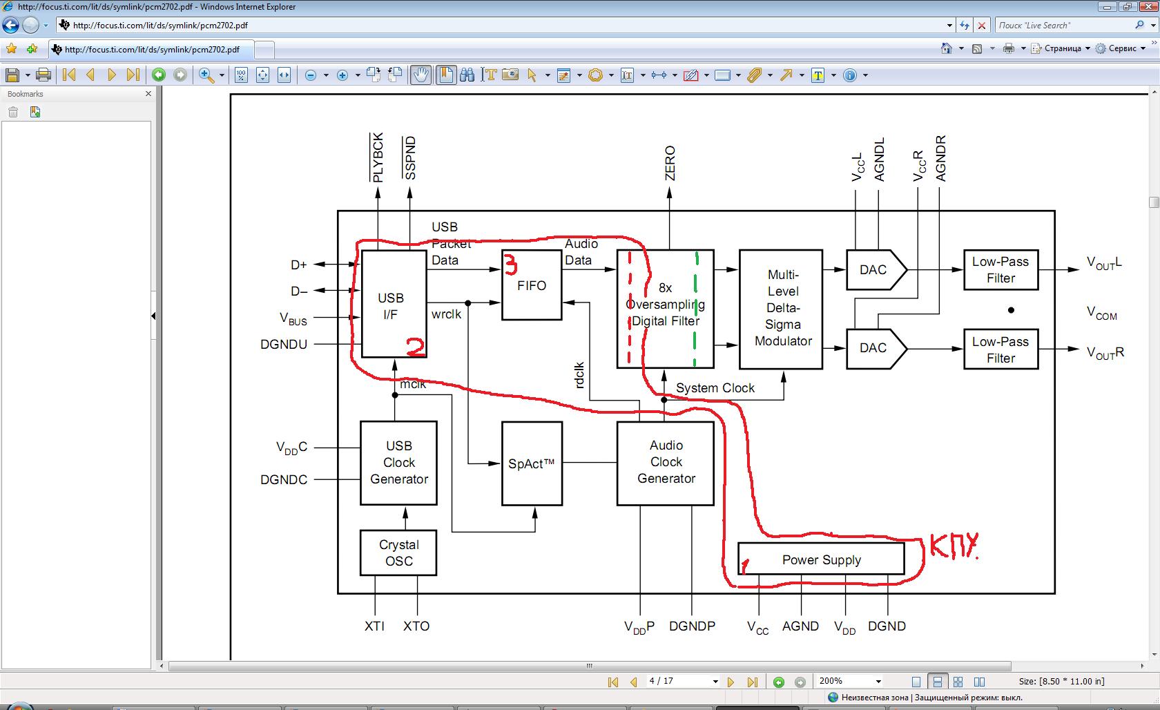
CooDi Опубликовано 5 декабря, 2009 Жалоба Опубликовано 5 декабря, 2009 mihaВходной сигнал приходит в цифре, о каком усилении может идти речь? Обработка сигнала - да, но не усиление. Усиление - это увеличение мощности сигнала, либо амплитуды (либо одновременно того и другого каскадом).В обведенном нет ни одного усилителя, только умножитель частоты дискредитации, задача которого интерполировать цифровой сигнал в более "высокоскоростной" и передать его на ЦАП. Скажу больше - сдесь на схеме нет вообще усилителей.Колонки собрать - тоже нужен расчет. Сложнее найти качественные динамики. Гдето здесь была выложена книжка по колонкам, как их расчитывать и собирать.Добавлено спустя 3 минуты 24 секунды:oversampling digital filter — цифровой фильтр-передискретизатор — цифровой фильтр, устраняющий дополнительные периоды спектров, появившиеся вследствие дискретизации сигнала по времени. Цифровой фильтр с 8-кратной передискретизацией в дополнение к каждому входному отсчету создает 7 новых, увеличивая тем самым частоту дискретизации в восемь раз. При этом дополнительные периоды спектра отодвигаются в область более высоких частот, благодаря чему их легче подавить.Добавлено спустя 8 минут 41 секунду:а вот кстати и книжка http://ulanovka.ru/forum/viewtopic.php?t=77495 Цитата
CooDi Опубликовано 5 декабря, 2009 Жалоба Опубликовано 5 декабря, 2009 mihaКакие помехи могут быть в цифре? Вот это мне объясни. Цитата
sergi Опубликовано 6 декабря, 2009 Жалоба Опубликовано 6 декабря, 2009 Помехи не в цыфре , а как правило в усилителе мощности. В цифре, если все качественно сделано и получена качественная оцифровка проблем не должно быть. Если выявляются помехи, то ищи проблемы в усилителе мощности , колонках, фильтрах на колонках.Пред усилитель не играет большой роли так, как преобразования происходят в ЦАП и выводится просто реально линейный выход без усиления. Всем остальным, в том числе и пред усилением должен по идее заниматься каскад в данном случае активных колонок.Если суда влезет звуковая карта с своим пред усилителем то ничего хорошего из этого не выйдет. Пред усилитель применяют если карте дать програмно перейти с линейного выхода нанаушники. Это в общем теория но на практике все нетак гладко. Так, как многие фирмы по договоренности с производителями специально вводят на картах пред усилитель программно не переключаемый. Это делается по договору с фирмами грамзаписи для нераспространения копий с высоким качеством звучания. По схемотехники правда не знаю как это обстоит на креативах. в полне возможно , что тоже подчиняются. Цитата
CooDi Опубликовано 6 декабря, 2009 Жалоба Опубликовано 6 декабря, 2009 Вот мне покажите, где звук с цапа идет сразу на 25ваттный и выше усилитель, без предусиления. Цитата
miha Опубликовано 6 декабря, 2009 Жалоба Опубликовано 6 декабря, 2009 В любых нормальных усилителях выбери наугад 10 усилителей и проверь. Цитата
CooDi Опубликовано 6 декабря, 2009 Жалоба Опубликовано 6 декабря, 2009 mihaВ усилителях нет предусилителей!! Если вы науниками слышите сигнал, то он уже предусиленный. Предусилителя стоят в звуковой карте на выходе после цапа, стоят после магнитосъемной головки в магнитофонах, стоят после "иглы" в виниловых проигрывателях.ЕСЛИ в усилке есть цифровой вход, тогда естесвенно там будет и ЦАП с "обвязкой", и предусилитель. Цитата
miha Опубликовано 6 декабря, 2009 Жалоба Опубликовано 6 декабря, 2009 Там каскад предварительного усиления а не отдельный усилитель Цитата
CooDi Опубликовано 6 декабря, 2009 Жалоба Опубликовано 6 декабря, 2009 mihaТам одна микросхемка на канал стоит на ВЫХОДЕ ЦАПа. И сделано это потомучто ВЫХОДНОЙ сигнал с ЦАПа слишком слаб для линейного выхода. Цитата
sergi Опубликовано 6 декабря, 2009 Жалоба Опубликовано 6 декабря, 2009 Кууди Вы бы хоть написали схему чего дали . Разбираться по схемам нет интереса, да и не правы ВЫ. Дело в том , что выхода с ЦАпа после преобразования вполне хватает чтобы перейти на пред усилитель активных колонок. Это вопрос уже давным давно рассматривался еще когда только появлялись CD приводы в компьютерах. И некоторые фирмы производителиумудрились сделать CD с прямым выходом Цыфры без преобразования в приводе. За что и были биты производителями грамзаписи. В те времена по этому поводу большая шумиха была. ( Если конечно в те времена Вы адекватно могли в этом что либо понимать) Интернета тогда в Улан-Удэ в помине не было. Его и в Москве по талонам раздавали. Кууди не сочтите за оскорбление но это реально. Как сейчас обстоят дела с схемками приводов не знаю , давно этим не интересовался. Но думаю фирмы грамзаписи свое давление никак не ослабили. Цитата
miha Опубликовано 6 декабря, 2009 Жалоба Опубликовано 6 декабря, 2009 sergiИнтересно о каком годе вы говорите? Даже фидо небыло?CooDiдля каскада предварительного усиления одной микросхемы будет многовато. Цитата
CooDi Опубликовано 6 декабря, 2009 Жалоба Опубликовано 6 декабря, 2009 sergiЭто схема звуковой карты HI-FI (начальная, которая в последствии была переделана в лучшую сторону, ссылка была выше), которая подключается через USB-интерфейс .mihaTLE2141AID - вот это предусилитель.Под каскадом предусиления, возможно, вы понимаете те элементы , которые расположены между USB и входом ЦАП Цитата
miha Опубликовано 6 декабря, 2009 Жалоба Опубликовано 6 декабря, 2009 TLE2141AIDEXCALIBUR LOW-NOISE HIGH-SPEED PRECISION OPERATIONAL AMPLIFIERSт.о. это не предусилитель а просто операционный усилитель с глубокой обратной связью в котором в свою очередь имеется прекусилительные каскады. Цитата
CooDi Опубликовано 6 декабря, 2009 Жалоба Опубликовано 6 декабря, 2009 mihaЭто в свою очередь и называется предусилителем, потомучто без него на усилитель звук не подать, и от его качества очень сильно зависит качество звука. Цитата
miha Опубликовано 6 декабря, 2009 Жалоба Опубликовано 6 декабря, 2009 Только ты так его называешь) Я впервый раз такое слышу это согласующий усилительный элемент и не более.Проведу маленький ликбез. Когда сравнивают звучание лампового и транзисторного звука то отмечают, что транзисторный звук как-будто прорывается а в то время ламповый передаёт всё картину. Это явление(прорывание) связанно с тем, что транзисторные усилители используют обратную отрицательную связь. Операционный усилитель же не будет работать без обратной связи т.к. без неё усиление стремится к бесконечности. Цитата
CooDi Опубликовано 6 декабря, 2009 Жалоба Опубликовано 6 декабря, 2009 Еще ламповый усилитель может усиливать такой слабый сигнал до максимального, что необходимость в этой микросхеме просто отпадает.mihaвообщето всегда он так назывался.http://ru.wikipedia.org/wiki/Электронный_усилительНекоторые функциональные виды усилителейПредварительный усилитель (предусилитель) — усилитель, предназначенный для усиления сигнала до величины, необходимой для нормальной работы оконечного усилителяОконечный усилитель (усилитель мощности) — усилитель, обеспечивающий при определённой внешней нагрузке усиление мощности электромагнитных колебаний до заданного значенияУсилитель промежуточный частоты (УПЧ) — узкополосный усилитель сигнала определённой частоты (456 кГц, 465 кГц, 4 МГц, 5,5 МГц, 6,5 МГц, 10,7 МГц и др.), поступающего с преобразователя частоты радиоприёмникаРезонансный усилитель — усилитель сигналов с узким спектром частот, лежащих в полосе пропускания резонансной цепи, являющейся его нагрузкойВидеоусилитель — импульсный усилитель, предназначенный для усиления видеоимпульсов сложной формы, широкого спектрального состава. Несмотря на название, применяется не только в видео- и телевизионной технике, но и в радиолокации, обработке сигналов с различных детекторов, модемах, и др. Принципиальной особенностью данного усилителя является работоспособность вплоть до 0 Гц (постоянный ток). Также сигнал данного спектра обычно называют видеосигналом, даже если он не имеет никакого отношения к передаче изображения.Усилитель магнитной записи — усилитель, нагруженный на записывающую магнитную головкуМикрофонный усилитель — усилитель электрических сигналов звуковых частот, поступающих с микрофона, до значения, при котором их можно обрабатывать и регулироватьУсилитель-корректор (корректирующий усилитель) — электронное устройство для изменения параметров видео- или аудиосигнала. Усилитель-корректор видеосигнала, например, даёт возможность регулировки насыщенности цвета, цветового тона, яркости, контрастности и разрешения, усилитель-корректор аудиосигнала предназначен для усиления и коррекции сигналов от звукоснимателя проигрывателя граммофонных пластинок, бывают и другие виды усилителей-корректоров. Цитата
miha Опубликовано 6 декабря, 2009 Жалоба Опубликовано 6 декабря, 2009 CooDiдопустим сигнал 5мВ оконечному каскаду может хватать и 6-7мВ тут имеет значение рабочая точка усилительного элемента. Повикипедь резисторный каскад, это и есть каскад предварительного усиления а операционные усилители это готовые усилители со своим предварительным усилением. Цитата
CooDi Опубликовано 6 декабря, 2009 Жалоба Опубликовано 6 декабря, 2009 Никто не делает усилители из полупроводников без предварительного усиления. Мощные усилители не могут усиливать слабый сигнал без помех. Поэтому ставят предварительный усилитель. Иногда в самом усилителе стоит каскад из промежуточного и оконечного усилителя - это как правило очень мощная техника - минимум 100 ватт на канал. Либо этим увлекаются любители, собирающие усилители из транзисторов. Цитата
Рекомендуемые сообщения
Присоединяйтесь к обсуждению
Вы можете написать сейчас и зарегистрироваться позже. Если у вас есть аккаунт, авторизуйтесь, чтобы опубликовать от имени своего аккаунта.